|
Šioje svetainėje naudojami slapukai (ang. cookies). Toliau naršydami svetainėje arba paspaudę mygtuką "Sutinku", Jūs sutinkate su slapukų naudojimu. |
| Sutinku |
Lauko treniruoklių įranga karštai cinkuota, dažyta milteliniu būdu ir atspari įvairioms oro sąlygoms. Pritaikyta viešosioms lauko aikštelėms ir atitinka saugumo reikalavimus – nėra aštrių briaunų ar pavojingų angų. Įranga yra sertifikuota ir atitinka LST EN 16630 standartą.
Nemokamai galima pasirinkti metalinių detalių spalvą.
2 spalvų limitas įrenginiui.

Lauko treniruoklis su 15 lygių svorio reguliavimo sistema, skirtas nugaros, kojų ir sėdmenų raumenų stiprinimui.
Minimali apkrova - 47 kg, maksimali - 103 kg.
Pritaikytas naudotojams, sveriantiems iki 130 kg.
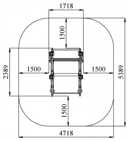
Ilgis: 2389 mm
Plotis: 1718 mm
Aukštis: 1195 mm
Svoris: 321,0 kg
Naudotojų skaičius: 1
Apkrovos reguliavimas: Taip
Metalinės konstrukcijos detalės yra karštai cinkuotos ir dažytos milteliniu būdu, todėl įranga atspari nepalankioms oro sąlygoms bei vandalizmui.
Svorio reguliavimui skirtas vamzdis iš nerūdijančio plieno.
Montuojamas ankeriuojant prie pagrindo.