|
Šioje svetainėje naudojami slapukai (ang. cookies). Toliau naršydami svetainėje arba paspaudę mygtuką "Sutinku", Jūs sutinkate su slapukų naudojimu. |
| Sutinku |
Lauko treniruoklių įranga karštai cinkuota, dažyta milteliniu būdu ir atspari įvairioms oro sąlygoms. Pritaikyta viešosioms lauko aikštelėms ir atitinka saugumo reikalavimus – nėra aštrių briaunų ar pavojingų angų. Įranga yra sertifikuota ir atitinka LST EN 16630 standartą.
Nemokamai galima pasirinkti metalinių detalių spalvą.
2 spalvų limitas įrenginiui.

Treniruoklis skirtas krūtinės, pilvo preso, nugaros, sėdmenų ir rankų raumenų stiprinimui.
Pritaikytas naudotojams, sveriantiems iki 130 kg.
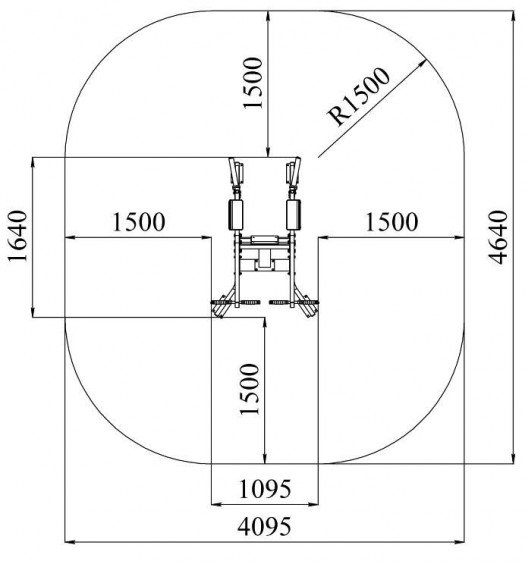
Ilgis: 1590 mm
Plotis: 1080 mm
Aukštis: 2485 mm
Svoris: 130,0 kg
Naudotojų skaičius: 1
Apkrovos reguliavimas: Taip
Metalinės konstrukcijos detalės yra karštai cinkuotos ir dažytos milteliniu būdu, todėl įranga atspari nepalankioms oro sąlygoms bei vandalizmui.
Atraminė dalis pagaminta iš aukštos kokybės HDPE plastiko.
Pagrindinė konstrukcijos dalis pagaminta iš 120 x 40 mm storio vamzdžių, sienelės storis - 3 mm.
Montuojamas ankeriuojant prie pagrindo.