|
Šioje svetainėje naudojami slapukai (ang. cookies). Toliau naršydami svetainėje arba paspaudę mygtuką "Sutinku", Jūs sutinkate su slapukų naudojimu. |
| Sutinku |
Aukštos kokybės vaikų žaidimų įranga su patvaria cinkuota ir milteliniu būdu dengta plieno konstrukcija, HDPE bei HPL elementais. Konstrukcija yra saugi – nėra aštrių briaunų ar pavojingų angų, tinkama naudoti viešosiose žaidimų aikštelėse. Įrangai suteikiama iki 30 metų garantija, priklausomai nuo komponentų tipo. Produktas sertifikuotas pagal EN 1176-1:2017+A1:2023 standartą.
Galimos konstrukcijos spalvos

Nerūdijančio plieno, karštai cinkuota ir milteliniu būdu dengta arba milteliniu būdu cinkuota ir milteliniu būdu dengta plieno konstrukcija padengta iš 80 x 80 mm profilio;
Platformos ir laipiojimo sienelės pagamintos iš patvarios, neslidžios ir vandeniui atsparios faneros arba HPL plokštės;
Šoniniai skydai pagaminti iš patvarios HDPE arba HPL plokštės, atsparios oro sąlygoms;
Čiuožyklos pagamintos iš nerūdijančio plieno su patvariais HDPE šoniniais skydais;
Judantys elementai pagaminti iš patvarios HDPE plokštės, atsparios oro sąlygoms;
Sferiniai langai pagaminti iš polikarbonato;
Patvarūs laipiojimo akmenys pagaminti iš poliesterio dervos kompozito su mineraliniais užpildais;
Nerūdijančio plieno strypai ir turėklai;
Varžtai su plastikiniais dangteliais ir (arba) nerūdijančio plieno varžtais;
Saugūs viršutinės konstrukcijos dangteliai pagaminti iš gumos arba polipropileno.
Pritaikyta vaikams su negalia;
Skirta viešosioms žaidimų aikštelėms;
Sertifikuota akredituotoje įstaigoje, atitikties deklaracija;
Nėra aštrių briaunų ar angų, kurios galėtų kelti pavojų, įstrigti galva, pirštai ar kitos kūno dalys;
Montavimas ant lygaus paviršiaus, 80/70/60 cm gylyje;
Iliustracijos skirtos tik nuorodai, tikroji įrenginio išvaizda ir jo spalva gali skirtis.
Techniniai duomenys
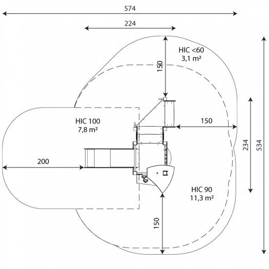
Ilgis: 224 cm
Plotis: 234 cm
Aukštis: 286 cm
Amžiaus grupė: 1 - 8 metų
Vartotojų skaičius: 9 vaikai
Apsaugos zona: 22,2 m²
Laisvojo kritimo aukštis: 90 cm
Didžiausios dalies svoris: 20 kg
Didžiausios dalies matmenys: 335x8x8 cm
Platformos aukštis: 90 cm
Čiuožyklos platformos aukštis: 90 cm
Standartas: EN 1176-1:2017+A1:2023
Atsarginių dalių prieinamumas: taip
Montavimo laikas: 4,0 valandos
Garantijos
30 metų garantija: konstrukcinis plieno ir nerūdijančio plieno komponentų tvirtumas
15 metų garantija: dinaminės įrangos plieno ir nerūdijančio plieno konstrukcijos gedimui
10 metų garantija: HDPE ir aukšto slėgio laminatų struktūriniams gedimams
5 metų garantija: nerūdijančio plieno ir karštai cinkuotų bei milteliniu būdu dengtų komponentų korozijai; apsauga nuo žievės vabalų ir puvimo mediniuose komponentuose
Detalesnė informacija pateikta garantiniame talone